ĐẶC ĐIỂM CỦA KHÓA ĐIỆN TỬ HAFELE DL7100 912.05.498
- Mở khoá bằng: Vân tay/thẻ từ/mật khẩu/chìa khóa cơ.
+ Quản lý bằng mật khẩu chủ và mật khẩu người dùng
+ Chức năng xác thực kép bằng cách kết hợp 2 trong 3 cách đăng nhập (vân tay/mã số/thẻ từ).
+ Tích hợp chế độ riêng tư, có thể được kích hoạt từ mặt trong khóa.
+ Tích hợp chế độ vắng nhà để tăng cường an ninh cho căn nhà
+ Có thể thay đổi linh hoạt giữa 2 chế độ khóa tự động và thủ công.
+ Khóa sẽ tạm ngưng hoạt động trong 5 phút sau khi nhập sai mã số/thẻ từ 10 lần liên tiếp.
+ Chức năng chống sao chép mật khẩu bằng cách sử dụng kèm mật mã ảo.
+ Hướng dẫn cài đặt bằng giọng nói (Tiếng anh/Trung Quốc)
+ Tích hợp khả năng chống sốc điện
+ Tích hợp âm thanh cảnh báo Pin yếu
+ Có thể kích hoạt chế độ yên lặng khi cần thiết
Xuất xứ: Trung Quốc
THÔNG SỐ KỸ THUẬT CỦA KHÓA ĐIỆN TỬ HAFELE DL7100
+ Khả năng lưu trữ:
- Đăng ký tới 100 vân tay
- Đăng ký lên tới 50 thẻ
- Đăng ký 1 mật khẩu chủ & 10 mật khẩu người dùng
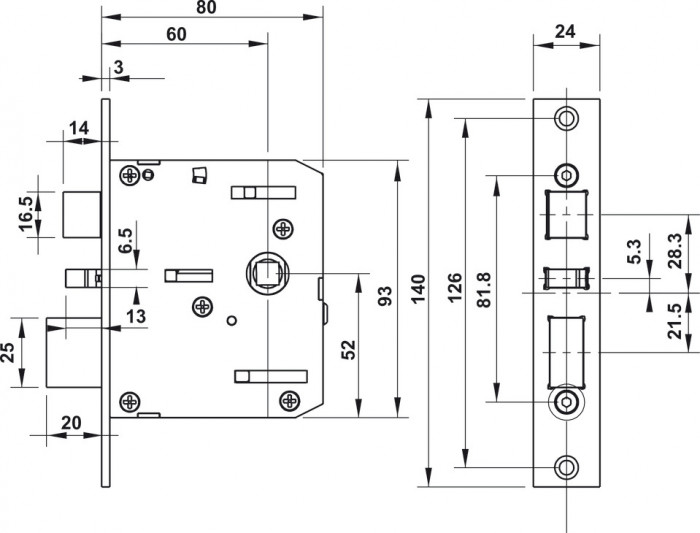
+ Kích thước mặt ngoài: 283x64x26.8 mm đã bao gồm tay nắm
+ Kích thước mặt trong: 283x64x26.8 mm đã bao gồm tay nắm
+ Vật liệu: Nhôm, Kẽm, Nhựa ABS
+ Màu hoàn thiện: Màu đen mờ
+ Nguồn điện: 6V (8 viên pin alkaline, loại 1,5V, cỡ AA)
+ Nguồn dự phòng: 5V thông qua cổng Micro USB
+ Nhiệt độ vận hành: Từ -25 độ C đến +55 độ C
+ KÍCH THƯỚC ĐỐ CỬA PHÙ HỢP:
- Độ dày cửa: 30 – 90 mm
- Đố cửa : 120 mm
+ Phụ kiện kèm theo:
- 1 mặt trong khóa & 1 mặt ngoài khóa
- 1 tấm đỡ mặt trong khóa
- 1 Bas khóa
- 3 tấm lót bas khóa
- Bộ ốc vít
- 1 Hướng dẫn sử dụng
- 1 Hướng dẫn lắp đặt
- 2 thẻ từ lớn (85.5 x 54mm)
- 2 thẻ từ nhỏ (45 x 15mm)
- 2 chìa cơ
+ Tùy chọn mua thêm:
- – Thẻ từ lớn: 917.80.739
– Thẻ từ nhỏ: 912.05.369
– Zigbee module: 912.05.938








Đánh giá
Chưa có đánh giá nào.