ĐẶC TÍNH CỦA RUỘT KHÓA MỘT ĐẦU CHÌA HAFELE 916.96.117
+ Ruột khóa một đầu chìa hafele 916.96.117 thuộc dòng: Startec
+ Hệ chìa chủ đặt theo yêu cầu của khách hàng
+ Hệ xếp bi 5 pin
+ Trong ruột khóa Hafele 916.96.117 các cặp pin sắp xếp khác nhau tạo ra nhiều chìa khác nhau
+ Số lượng chìa phụ thuộc vào số lượng cặp pin và các xếp pin
+ Ruột khóa theo tiêu chuẩn EN1303 và DIN 18 252: 09/1999
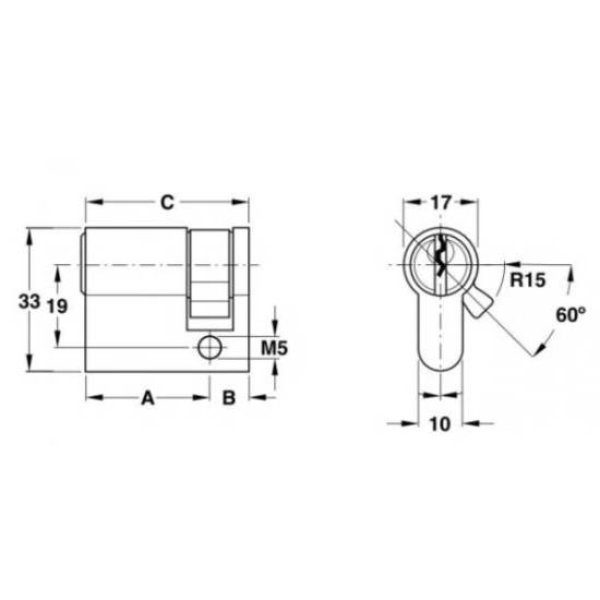
THÔNG TIN KỸ THUẬT CỦA RUỘT KHÓA MỘT NỬA HAFELE 916.96.117
+ Chất liệu: Đồng mạ nikel
+ Chiều dài A: 35 mm
+ Chiều dài B: 10 mm
+ Chiều dài C: 45 mm
+ Trộn bộ gồm: 1 ruột khóa một nửa + 3 chìa thép mạ nickel + Vít cố định ruột khóa






Đánh giá
Chưa có đánh giá nào.