ĐẶC TÍNH CỦA RUỘT KHÓA THÔNG PHÒNG HAFELE 916.96.307
+ Ruột khóa thông phòng Hafele 916.96.307 thuộc dòng: Startec
+ Hệ chìa chủ theo yêu cầu của khách hàng
+ Hệ thống chìa 5 pin
+ Số lượng chìa phụ thuộc vào số lượng cặp pin và các xếp pin
+ Ruột khóa theo tiêu chuẩn EN1303 và DIN 18 252: 09/1999
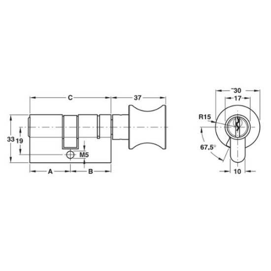
+ Một đầu chìa
+ Một đầu vặn
+ Ruột khóa thông phòng Hafele 916.96.307 phù hợp với phòng ngủ, cửa phòng riêng
THÔNG TIN KỸ THUẬT CỦA RUỘT KHÓA THÔNG PHÒNG HAFELE 916.96.307
+ Chất liệu: Đồng mạ nikel
+ Chiều dài A: 30 mm
+ Chiều dài B: 30 mm
+ Chiều dài C: 60 mm
+ Trộn bộ gồm: 1 ruột khóa một nửa + Vít cố định ruột khóa + 3 chìa thép mạ nikel






Đánh giá
Chưa có đánh giá nào.