ĐẶC TÍNH CỦA RUỘT KHÓA PHÒNG NGỦ HAFELE 916.96.311
+ Ruột khóa phòng ngủ Hafele 916.96.311 thuộc dòng: Startec
+ Hệ chìa chủ theo yêu cầu của khách hàng
+ Hệ thống chìa 5 pin
+ Số lượng chìa phụ thuộc vào số lượng cặp pin và các xếp pin
+ Ruột khóa theo tiêu chuẩn EN1303 và DIN 18 252: 09/1999
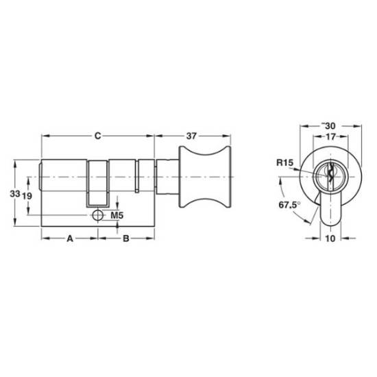
+ Một đầu chìa
+ Một đầu vặn
+ Ruột khóa phòng ngủ Hafele 916.96.311 phù hợp với phòng ngủ, cửa phòng riêng
THÔNG TIN KỸ THUẬT CỦA RUỘT KHÓA PHÒNG NGỦ HAFELE 916.96.311
+ Chất liệu: Đồng mạ nikel
+ Chiều dài A: 32.5 mm
+ Chiều dài B: 32.5 mm
+ Chiều dài C: 65 mm
+ Trộn bộ gồm: 1 ruột khóa một nửa + Vít cố định ruột khóa + 3 chìa thép mạ nikel






Đánh giá
Chưa có đánh giá nào.